○大田市消防団協力事業所表示制度実施要綱
平成20年3月27日
告示第29号
(目的)
第1条 この要綱は、大田市消防団に積極的に協力している事業所等に対して、消防団協力事業所表示証を交付するために必要な事項について定め、もって地域の消防防災力の充実強化等の一層の推進を図ることを目的とする。
(1) 事業所等 事業所又はその他の団体をいう。
(2) 消防団協力事業所 市長が消防団活動に協力している事業所等として認めた事業所等(以下「協力事業所」という。)をいう。
(3) 消防団協力事業所表示証 協力事業所に対して、消防団活動に協力している証として交付した表示証(以下「表示証」という。)をいう。
(4) 消防団長等 消防団長のほか、自治会長等の消防団活動を支援する者をいう。
(申請及び推薦)
第3条 協力事業所としての認定を受けようとする事業所等は、大田市消防団事業所表示申請書(様式第1号)により、市長に申請を行うものとする。
2 消防団長等は、表示証の交付を推薦する事業所等について、大田市消防団事業所認定等申請書[推薦用](様式第2号)により、当該事業所等の意思の同意を得て、市長に推薦することができる。
(1) 従業員が、消防団員として相当数入団している事業所等であること。
(2) 従業員の消防団活動について積極的に配慮している事業所等であること。
(3) 災害時等に事業所の資機材等を消防団に提供するなど協力をしている事業所等であること。
(4) その他消防団活動に協力することにより、地域の消防防災体制の充実強化に寄与しているなど、特に優良と認められる事業所等であること。
(表示証の交付)
第5条 市長は、協力事業所の認定を行ったときは、当該事業所等に対し、表示証(様式第3号)を交付するものとする。
(表示証の表示)
第6条 協力事業所は、第8条第1項に規定する有効期間に限り、表示証を表示することができる。
2 表示証は、次に掲げる場所等に表示できる。
(1) 表示証を交付された事業所等の見えやすい場所
(2) パンフレット、チラシ、ポスター、看板、電磁方式(電子的方法、磁気的方法その他の人の知覚によって認識することができない方法をいう。)により行う映像その他の広告
(表示証交付整理簿の備え付け)
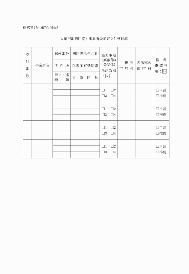
第7条 表示証の交付に際して、市長は、大田市消防団協力事業所表示証交付整理簿(様式第4号)を備え付け、表示証の交付に関する事業所の名称、住所、有効期間等の必要事項を記録するものとする。
(表示証の有効期間)
第8条 表示証の有効期間は、認定の日から2年又は第9条に規定する認定の取消しの日までとする。ただし、協力事業所が大田市消防団協力事業所表示証の交付を受けた場合は、表示の有効期間は、交付を受けた日から2年間とする。
2 表示証の表示の効力が失効した事業所等については、第6条に規定する表示を行うことができない。
3 市長は、認定の日から2年を経過する前に協力内容の現状及び表示の継続の意思を確認した上で、認定を更新できるものとする。
(変更の届出)
第9条 認定事業所は、その名称に変更があったときは、速やかに大田市消防団協力事業所名称変更届出書(様式第5号)を市長に提出するものとする。
(認定の取消し)
第10条 市長は、協力事業所が事業を廃止又は休止したとき、第4条に規定する基準を満たさないこととなったとき、偽りその他不正な手段により協力事業所の認定を受けたとき、又はその他協力事業所としての表示が適当でないと認めるときは、当該認定を取り消すことができる。この場合において、市長は、当該協力事業所に対し、当該認定の取消の理由を文書で通知するものとする。
2 前項の規定により協力事業所の認定を取り消された事業所等は、速やかに、表示証を市長へ返還しなければならない。
(協力事業所の公表)
第11条 市長は、協力事業所の名称、大田市消防団への協力内容、その他の事項について、広報紙等により公表するものとする。
(協力事業所の表彰)
第12条 市長は、協力事業所を大田市消防表彰規則(平成17年大田市規則第193号)に基づき表彰することができる。
(所掌)
第13条 この要綱に関する事務は、消防部総務課において所掌する。
附則
この告示は、平成20年4月1日から施行する。
附則(平成28年告示第128号)
この告示は、平成28年11月1日から施行する。






